
二、性能参数:
型号 | H41N-16C~40 | H41N-16~40 P | ||
工作压力(MPa) | 1.6~4.0 | |||
适用温度(℃) | ≤-40~+80℃ | |||
适用介质 | 液化气、天然气、液氨 | 弱腐蚀性介质 | ||
材料 | 阀体、阀盖 | 碳钢 | 铬镍钛不锈钢 | |
密封面 | 堆焊铬不锈钢 | 堆焊硬质合金 | 铬镍钛不锈钢 | |
垫片 | 聚四氟乙烯/不锈钢石墨缠绕垫 | |||
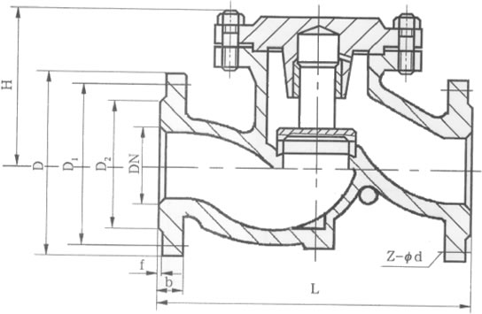
公称通径 | 主要外形尺寸和连接尺寸 | ||||||
L | D | D1 | D2 | b | Z-d | H | |
H41N-16C H41N-25C H41N-16P H41N-25R H41N-40I | |||||||
15 | 130 | 95 | 65 | 45 | 14 | 4-14 | 77 |
20 | 150 | 105 | 75 | 55 | 14 | 4-14 | 77 |
25 | 160 | 115 | 85 | 65 | 14 | 4-14 | 80 |
32 | 180 | 135 | 100 | 75 | 16 | 4-18 | 85 |
40 | 200 | 145 | 110 | 85 | 16 | 4-18 | 95 |
50 | 230 | 160 | 125 | 100 | 16 | 4-18 | 105 |
65 | 290 | 180 | 145 | 120 | 18 | 4-18 | 120 |
80 | 310 | 195 | 160 | 135 | 20 | 8-18 | 130 |
100 | 350 | 215 | 180 | 155 | 20 | 8-18 | 140 |
125 | 400 | 245 | 210 | 185 | 22 | 8-18 | 155 |
150 | 480 | 280 | 240 | 210 | 24 | 8-23 | 180 |
200 | 600 | 335 | 295 | 265 | 26 | 12-23 | 215 |
250 | 730 | 405 | 355 | 320 | 30 | 12-25 | 260 |
300 | 850 | 460 | 410 | 375 | 34 | 12-25 | 315 |
H41H-25 H41W-25 H41W-25P H41W-25R H41W-25I | |||||||
15 | 130 | 95 | 65 | 45 | 16 | 4-14 | 100 |
20 | 150 | 105 | 75 | 55 | 16 | 4-14 | 105 |
25 | 160 | 115 | 85 | 65 | 16 | 4-14 | 120 |
32 | 180 | 135 | 100 | 78 | 18 | 4-18 | 130 |
40 | 200 | 145 | 110 | 85 | 18 | 4-18 | 135 |
50 | 230 | 160 | 125 | 100 | 20 | 4-18 | 149 |
65 | 290 | 180 | 145 | 120 | 22 | 8-18 | 160 |
80 | 310 | 195 | 160 | 135 | 22 | 8-18 | 169 |
100 | 350 | 230 | 190 | 160 | 24 | 8-23 | 194 |
125 | 400 | 270 | 220 | 180 | 28 | 8-25 | 222 |
150 | 480 | 300 | 250 | 218 | 30 | 8-25 | 255 |
200 | 600 | 360 | 310 | 278 | 34 | 12-25 | 305 |
250 | 730 | 425 | 370 | 332 | 36 | 12-30 | 355 |
300 | 850 | 485 | 430 | 390 | 40 | 16-30 | 410 |

